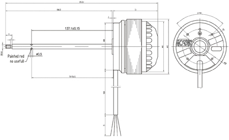
Этот двигатель с длинным валом для минипивоварни и для смесителей был одобрен по стандарту TUV. Относится к типу однофазных конденсаторных двигателей с номинальным напряжением 220 В и частотой 50 Гц. Скорость вращения - до 2800 оборотов, уровень шума составляет всего 52 дБ (А). Используя радиальный шарикоподшипник который не требует технического обслуживания и постоянно смазывается, этот продукт может работать более 30000 часов в среднем. Он в основном используется в качестве вспомогательного устройства для пивоваренных машин, смесителей, соковыжималок, воздушных насосов, и т. д.
Рисунок

| Модель | Номинальное напряжение (В) | Частота (Гц) | Номинальный ток (A) | Входная мощность (Вт) | Скорость вращения (об/мин) | Ёмкость конденсатора (μF) | Уровень шума дБ (A) |
| YWF-J92-2E-25 | 220 | 50 | 0.29 | 60 | 2800 | 2 | 52 |
Являясь производителем двигателей с длинным валом для минипивоварни и для смесителей в Китае, наша компания также предлагает такую продукцию как вентиляторы осевые для компрессорно-конденсаторных блоков, центробежные вентиляторы с одним воздухозаборным отверстием и с лопастями изогнутыми вперёд, тангенциальные вентиляторы для тепловых завес, и многое другое.